cr6841电路图

图2 sg6841d典型应用电路图

图片尺寸1500x795

关于开关电源中tl431hepc817奇怪的电路

图片尺寸2339x1653

ka3511电脑开关电源电路图

图片尺寸1598x992

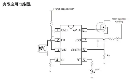
控制电路的设计 本设计采用sg6841高集成环保模式pwm控制器,该控制器

图片尺寸600x267

t68卧式镗床电气控制线路原理图

图片尺寸1733x1062

t68卧式镗床电气控制线路ppt

图片尺寸2126x1275

求有源音箱电源芯片cr6848t的资料!

图片尺寸800x408

启达启臣微cr6841应用指导书 v1.

图片尺寸507x299

电池电量检测电路

图片尺寸832x821

t68镗床电气控制线路

图片尺寸2683x1076

20_电路

图片尺寸2445x1692

无忧文档 所有分类 工程科技 电子/电路 电源设计详细计算参考ppt

图片尺寸1080x810

无忧文档 所有分类 工程科技 电子/电路 cr6853控制的反激式开关电源

图片尺寸1121x636

t68型卧式镗床电气原理图电路3

图片尺寸1184x625

sg6841电源电路的修理技巧

图片尺寸900x476

启达启臣微cr6841应用指导书 v1.

图片尺寸686x244

启达cr6841完全兼容ob2269副边pwm控制器芯片

图片尺寸565x505

新闻中心 行业新闻2 ,欠压锁定和启动电路及 ocp 补偿特性: cr6841

图片尺寸475x335

启达启臣微cr6841应用指导书 v1.

图片尺寸554x324

cr6841

图片尺寸541x337